| 聯系人: | 電話: |
| 傳真: | 地址: |
| 郵編: | 郵箱: |
| 網址:#Null | |

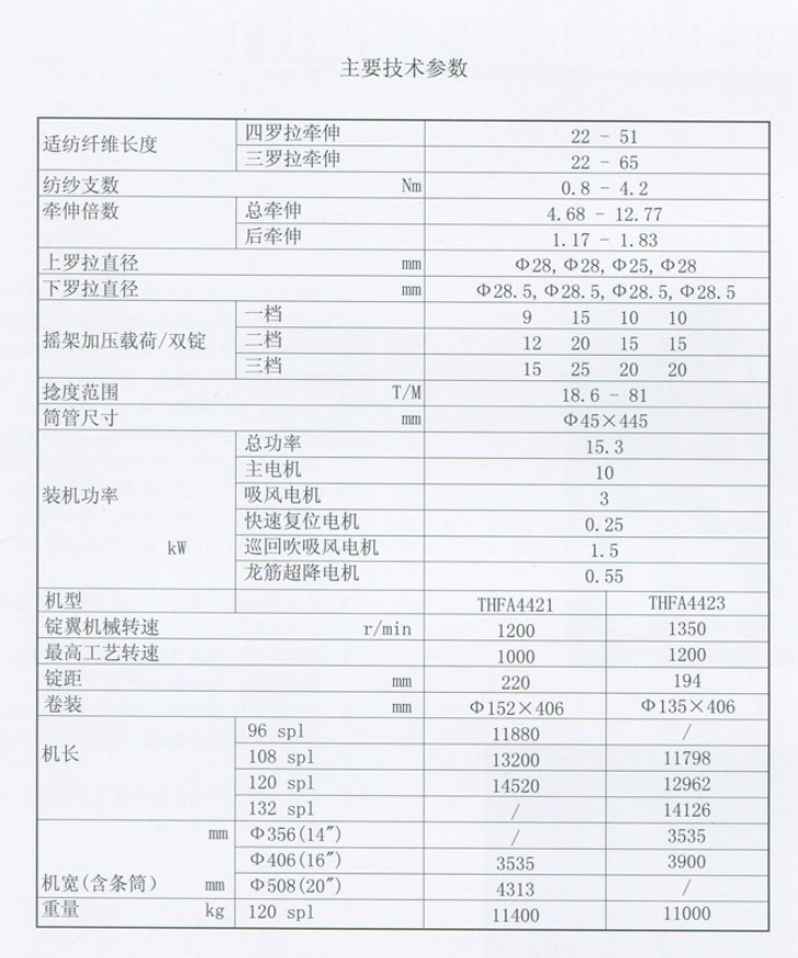
THFA4421/4423懸錠粗紗機是太行紡機在FA421A、FA423A基礎上研制的改進型粗紗機。改機型取消了原有的機械式換向結構,采用電磁離合器結構進行換向,同時簡化了車頭內的機械結構,使換向更精確。同時對導棉部分進行了重新設計,使得棉條筒擺放更合理,保證了棉條的垂直導入,減少意外牽伸、除此之外,保留了FA421A的其他原有的功能特點。該機型自動化程度高,操作方便,適用于普梳和精梳棉型化纖及人造纖維的純紡和混紡。










|
無錫二橡膠股份有限公司 |
常州市潤源經編機械有限公司 |
|
青島云龍紡織機械有限公司 |
黃石經緯紡織機械有限公司 |