- [產品]-->直線系列AMZ直線
- [產品]-->臺灣潭子DS心軸分割器
- [產品]-->臺灣潭子DF凸緣型分割器
您所在的位置:紡機網 >> 深圳蒲江機電有限公司 >> 臺灣傳仕立式擺線馬達
產品推薦
產品分類
聯系方式
- 聯系人:陳凱
- 郵 箱:2480713845@qq.com
- 地 址:深圳市南山區創業路現代城華庭四棟10A
- 手 機:18929311955
- 電 話:0755-86170789
- 傳 真:0755-86171515
- 網 址:http://www.szpujiang.com
臺灣傳仕立式擺線馬達
發布時間:2014-08-20
.png)
臺灣傳仕立式擺線馬達
產品參數:產品型號: null額定功率:null電壓:null轉速/極數:null減速比:null安裝方式:null
詳細參數
臺灣傳仕提供了齊全的減速機規格及減速機比數,產品系列有擺線馬達(或擺線減速機),無段減速機等,此系列立式擺線馬達可以取代傳統的浙開線齒輪及齒輪減速機.
臺灣傳仕立式擺線馬達減速機采用滾動嚙合原理臺灣傳仕減速機,所以減少了滑動磨擦及振動的現象,在扭矩的傳送中,由多個齒來承受。其效率一段時可達92%以上臺灣傳仕減速機,二段時效率為85%以上(一段比為臺灣傳仕減速機87以內臺灣傳仕減速機,三段比為7569以內)。
抗過載能力強(臺灣傳仕減速機500%)傳仕行星擺線齒輪由于采用了擺線會齒嚙合臺灣傳仕減速機,實現了多齒同時嚙合傳動的能力,最高達67%,且避免了斷齒的可能,所以擺線針齒結構具有其他減速機不能承受的抗過載能力臺灣傳仕減速機500%。
低噪音及運轉輕巧與傳統滑動嚙合型相比較,擺線滾動嚙合大大地降低了噪音及振動。
適合正、逆轉及起動頻繁等動作傳仕擺線減速機皆控制在優良的公差范圍內及低慣性知,故極適合用于正逆轉及起動頻繁的地方。
經濟性因具有可靠性、耐久性及極低的維修費用,故具有經濟性。
高品質精良的設備、優良的工程師及嚴格的品質控制。臺灣傳仕立式擺線馬達減速機工作原理:傳仕擺線減速機設計有三個主要組成部分:
1)入力(高速)軸組件及偏心凸輪,滾柱軸承和油封。
2)擺線齒輪
3)出力(低速)軸組件及支撐的軸承和油封。
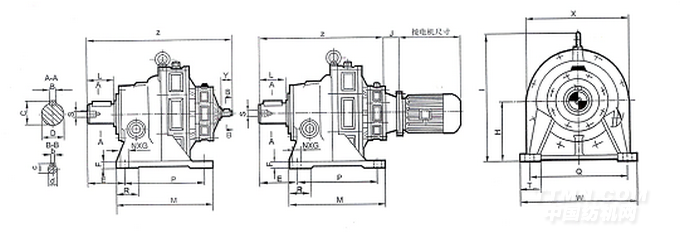
臺灣傳仕立式擺線馬達詳細圖紙:
.png)






