- [產品]-->直線系列AMZ直線
- [產品]-->臺灣潭子DS心軸分割器
- [產品]-->臺灣潭子DF凸緣型分割器
產品推薦
產品分類
聯系方式
- 聯系人:陳凱
- 郵 箱:2480713845@qq.com
- 地 址:深圳市南山區創業路現代城華庭四棟10A
- 手 機:18929311955
- 電 話:0755-86170789
- 傳 真:0755-86171515
- 網 址:http://www.szpujiang.com
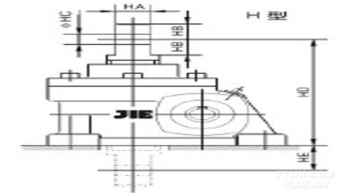
杰牌蝸輪絲桿減速機JRSS-H系列升降機
發布時間:2014-08-20
蝸輪絲桿減速機JRSS-H系列
產品參數:
產品型號: JRSS-H額定功率:null電壓:null轉速/極數:null減速比:null安裝方式:null
詳細參數
蝸輪絲桿減速機JRSS-H系列為非標準型絲桿減速機,減速機絲桿頂部為扁平狀,蝸輪絲桿減速機有時也叫蝸輪絲桿減速器。主要部件為蝸輪和絲桿,與齒輪減速機有一定區別。當連接設備為常規蝸輪絲桿減速機連接設備時,可能需要考慮選擇另一型號:蝸輪絲桿減速機JRSS-R系列.
產品規格35~150;傳動比5~40;輸入功率0.19~16.3KW;起升力500~26050kg。共10大規格280余種型式、傳動比、聯接、安裝方式可供選用。
一:蝸輪絲桿減速機JRSS-H系列安裝說明:
1:基本形式:螺母(蝸輪)轉動絲桿上下移動,此為變通型升降機安裝方式
*注意:絲桿在升降時,會產生旋轉力,所以必須做好防止旋轉的措施
2:止旋轉造型:適用于頂端無連接下運轉等各種不能實現防止旋轉的場合。
3:若想在有限的空間增長行程,可選用活動螺母 (由用戶自行設計制造配絲桿 )構造型。此構造為絲桿旋轉,活動螺母移動。若行程較長時,軸端應采用支撐方式,可等到很好的傳動效果。
二:蝸輪絲桿減速機JRSS-H系列產品說明:
1:JRSS系列蝸輪絲桿升降機(又名千斤頂);
2:具有結構緊湊,體積小的特點;
3:安裝方便,形式多樣。
4:可靠性高,壽命長。
5:具有起升,下降及借助輔件推進,翻轉等多種功能;
6:可單臺使用,也可多臺組成使用;
7:動力源廣泛,可用電動機或其它動力直接帶動,也可以用手動;
8:通常用于低速重載的場合。廣泛應用于冶金,機械,建筑,水利,醫療,化工等各個行業。
三:蝸輪絲桿減速機JRSS-H系列使用注意事項
1:請嚴格按承載能力表選擇合適的速比和與之對應的具有充分裕度的載荷的升降機;
2:升降機工作時應控制減速機表面和升降螺母表面溫度在-15℃--80℃;
3:升降機不得連續運轉,單臺升降機的負荷時間率(T%)以30分鐘為單位計算,不得超過20%;
負荷時間率T%=1動作周期的工作時間/(動作工作周期的工作時間+1動作周期的停歇時間)*100%
4:必須保證有充足的驅動源動力;
5:升降機理論上有自鎖功能,但在振動沖擊較大的場合會造成自鎖功能失靈,請務必加制動裝置;
6:升降機使用環境:
使用環境:室內無雨水侵入的場所
周圍空氣:灰塵為一般工廠狀況
環境濕度:-15℃-40℃
相對濕度: 85%以下
7:升降機工作時一般不允許有橫向載荷,若有橫向載荷時,請加橫向裝置。
四:蝸輪絲桿減速機JRSS-H系列故障分析:
A:振動:
故障原因:
1:原動機與升降機連接不當
2:蝸輪副齒部磨耗或損傷
3:軸承磨損
4:螺栓松脫
對應解決辦法:
1:調整到適當位置,重新正確固緊
2:更換蝸輪副(需要時可聯系蒲江機電配合)
3:更換軸承
4:固緊螺栓
B:雜音:
故障原因:
1:軸承操作或間隙過大
2:蝸輪副嚙合不良
3:潤滑油(脂)過少
對應解決辦法:
1:更換軸承
2:修整齒面或更換蝸輪副(請與蒲江機電聯系)
3:補加潤滑油(脂)
C:漏油:
1:油封唇口磨損
2:油封檔軸頸磨損
對應解決辦法:
1:更換油封
2:更換輸入軸或蝸輪
D:蝸輪副齒面磨損過快
1:超負荷運轉
2:潤滑油(脂)不符合要求
3:潤滑油(脂)過少
4:未按規定適時換油,滴滑油劣化
5:運轉溫度過高。
對應解決辦法:
1:調整至適當負荷
2:按油品潤滑更換滴滑油(脂)
3:補加潤滑油(脂)
4:按規定要求適時換油
5:采取合適措施,降低環境溫度。
E:絲桿副齒面磨損過快:
故障原因:
1:超負荷運轉
2:潤滑脂干枯或變質
3:有橫向載荷
對應之解決辦法:
1:調整至適當負荷
2:去污擦凈,重新加潤滑脂
五:蝸輪絲桿減速機JRSS-H系列詳細圖紙:






