- [產品]-->直線系列AMZ直線
- [產品]-->臺灣潭子DS心軸分割器
- [產品]-->臺灣潭子DF凸緣型分割器
產品推薦
產品分類
聯系方式
- 聯系人:陳凱
- 郵 箱:2480713845@qq.com
- 地 址:深圳市南山區創業路現代城華庭四棟10A
- 手 機:18929311955
- 電 話:0755-86170789
- 傳 真:0755-86171515
- 網 址:http://www.szpujiang.com
紫光立式鋁殼三相馬達
發布時間:2014-08-20
.png)
紫光立式鋁殼三相馬達
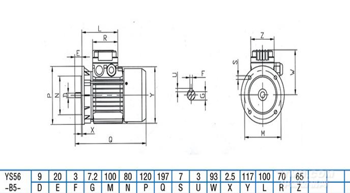
產品型號: YS額定功率:0.06KW-7.5KW電壓:380V.220V轉速/極數:2級,4級,6極安裝方式:立式
詳細參數
紫光立式鋁殼三相馬達結構物點:
--從0.25KW-3KW的功率等級覆蓋范圍,4種機座規格.
--電機殼體采用一體鋁合金壓鑄,增強散熱筋設計,使機組具備更強的冷卻能力.
--IP54的防護等級外殼封裝,防塵、防水.能在惡劣的環境下維持良好的運行.
--提供B級、F級絕緣耐熱等級制造,適用全天24小時滿負荷運行.
--精確的動平衡校正及專用的低噪聲軸承 ,使電機運行更加平穩、靜音.
--制動器采用無石棉、耐磨損磨擦材料,提供干式磨擦制動扭距.
--可配置直接工作于交流電源的交流制動器,無需直流轉換裝置.聯接更安全可靠;制動更強勁迅速.
--制動響應快、制動頻率高.
--預設置的出軸密封裝置,與變速機、減速機配套聯接時,密封更可靠安全.
--每型產品均配置手動釋放手柄,調整安裝方便.
--制動片與軸承采用鋼鍵齒聯接,能承受制動過程產生的強大沖擊力.
--符合IEC尺寸標準及IM國際安裝結構方式可任意選用安裝方式.主要材料:
-外殼:電機外殼為鋁合金,制動器殼體為鑄鐵.
-軸:調質處理的40Cr鋼.
-電磁線:聚酯QZ-2;聚酰亞胺QY-2.
-硅鋼片:DR490-510.
-軸承:C&U;NSK;NTN;SKF.涂漆:
-鋁合金表面拋丸后進行防腐處理,鋁合金本色.
-鋼鐵件表面蘭色丙烯酸烤漆.統一標準:
所有通用電機執行明確統一的制作標準:
--電機功率等級及尺寸:GB4826-84;GB4772.2-84;IEC72
--電氣規范:GB755-87;IEC34-1
--結構及安裝方式:GB997-81;IEC34-7
--外殼防護等級:GB4942.1-85;IEC34-5
--冷卻方式:GB/T1993-93;IEC34-6此電機為FY61系列交流罩極電機。電壓為120或220V,頻率為50-60HZ,罩極電機矽鋼片厚可選用10、16、20、25、30、35mm等減速箱外型尺寸為70*120*H24mm,最大減速比可以做到1:3400,最大減速比時,齒輪可所受負荷為80NM同時此減速箱可以配RS-555和RS-775直流電機。減速電機輸出軸為ф9.5或ф12.7mm主要市場
超聲波清洗機工程,陶瓷機械,電鍍機械
.jpg)






