- [產品]-->直線系列AMZ直線
- [產品]-->臺灣潭子DS心軸分割器
- [產品]-->臺灣潭子DF凸緣型分割器
產品推薦
產品分類
聯系方式
- 聯系人:陳凱
- 郵 箱:2480713845@qq.com
- 地 址:深圳市南山區創業路現代城華庭四棟10A
- 手 機:18929311955
- 電 話:0755-86170789
- 傳 真:0755-86171515
- 網 址:http://www.szpujiang.com
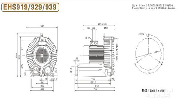
湖南單段升鴻鼓風機EHS919/929/939
發布時間:2014-08-20
升鴻單段鼓風機EHS919/929/939
產品參數:
產品型號: EHS919/929/939額定功率:null電壓:null風量:null風壓:null轉速/極數:null安裝方式:null
詳細參數
單段鼓風機EHS919/929/939風機:高壓鼓風機,高壓風機,鼓風機,風泵,側流風機,,真空泵,旋渦氣泵,單段高壓風機,雙段高壓風機,三段高壓風機,風機,測流式高壓風機。
1.安裝容易
高壓鼓風機配備齊全,可隨時安裝與使用,供壓縮空氣或用于抽真空,也可任意安裝于水平或垂直的方向。
2.可靠性高
與其他廠牌做比較時,在高壓力的范圍堪稱一枝獨秀。因此當使用情況變化時,機器仍可安全運轉。除了葉輪之外,高壓鼓風機沒有其他動作,因此可靠性之高幾乎免維修。設計卓越的高壓鼓風機使用獨一無二且散熱良好的精密外側軸承,因此它具有下列優點:高壓縮比;軸承運轉溫度低;潤滑油脂壽命長;保養容易。
3.低噪音
高壓風機低噪音馬達直接運轉,在加上一體式的銷音設施,因此噪音極低。
4.無油無污染
葉輪旋轉時,不與任何部分零件接觸,免潤滑,因此可保證百分之百無污染。
5.最高品質
以高壓風機公司專業制造經驗,最精密機械設計加上慎重電機配合標準儀器測試,使用所有零件均能達到最高品質要求,運用標準IP54,F級與馬達效率高,故障極少,馬達與鼓風機之間有軸封分離,預防異物進入。同時為確保功能效果,每一臺鼓風機在出廠前均經過嚴格測試。
6。型號規格齊全:功率:0.2KW-25KW 風量:40立方/小時~1134立方/小時
風壓:50mbar~1000mbar 電壓:萬國電壓50HZ/60HZ(220V-380V-415V)特殊電壓可訂做!
7.鼓風機已通過質量認證,可隨時出口到國外。
適用行業;燃燒降氧機、卷煙濾嘴成型機、電鍍槽液攪拌、霧化干燥機、水處理曝氣、水產養殖、絲網印刷機、照相制版機、注塑機、自動上料烘干機、液體灌裝機、粉末灌裝機、電焊設備、紙張運送、干洗衣服、清潔用途、空氣除塵、干瓶、氣體傳送、送料、收集、環保水處理、中央集塵環境保護、水產養殖、絲網印刷、電鍍、除塵、食品、包裝燃燒降氧機、卷煙濾嘴成型機、電鍍槽液攪拌、霧化干燥機、






