- [產品]-->直線系列AMZ直線
- [產品]-->臺灣潭子DS心軸分割器
- [產品]-->臺灣潭子DF凸緣型分割器
產品推薦
產品分類
聯系方式
- 聯系人:陳凱
- 郵 箱:2480713845@qq.com
- 地 址:深圳市南山區創業路現代城華庭四棟10A
- 手 機:18929311955
- 電 話:0755-86170789
- 傳 真:0755-86171515
- 網 址:http://www.szpujiang.com
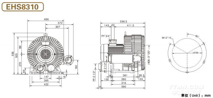
升鴻雙段鼓風機EHS8310
發布時間:2014-08-20
升鴻雙段鼓風機EHS8310
產品參數:
產品型號: EHS8310額定功率:null電壓:null風量:null風壓:null轉速/極數:null安裝方式:null
詳細參數
雙段鼓風機EHS8310
電壓:110V-220V-380V-415V-660V,50HZ/60HZ通用
功率范圍:0.18~20KW;空氣流量: 0.8m3/min~18.9m3/min;1000mmH2O~7000mmH2O;真
空吸附能力:吹吸雙功能,具真空和排壓兩種功能,采用德國西門子技術,通過的氣體無
水無油,具低噪音、高效率、免維護、高性能等特點;特殊葉片設計,壓力高、風量大、
噪音低、壽命長。 2、特殊峋調節風門,風量控制穩定性高,操作容易。 3、樣式種類齊
全。絕緣性能強,安裝容易, 可靠性高,高壓縮比,軸承運轉溫度低,無油無污染,保養容易,
外觀優美,最高品質. 高壓和高吸力的產生在于葉輪獨特的設計。
旋渦氣泵的葉輪邊緣帶有多個葉片,當葉輪旋轉時,由于離心作用,兩個葉片中的空氣被
快速地往外緣方向運動,傳轉輸能量,風壓被快速疊加,便形成了高壓或高力其速度得到
增加。當空氣被風道重新導入葉輪后,將再次被加速。由于多個葉片傳輸能量,風壓被快
速疊加,便形成了高壓或高吸力。有專業的技術工程師為你解答!適用行業;燃燒降氧機
、卷煙濾嘴成型機、電鍍槽液攪拌、霧化干燥機、水處理曝氣、水產養殖、絲網印刷機、
照相制版機、注塑機、自動上料烘干機、液體灌裝機、粉末灌裝機、電焊設備、紙張運送
、干洗衣服、清潔用途、空氣除塵、干瓶、氣體傳送、送料、收集、環保水處理、中央集
塵環境保護、水產養殖、絲網印刷、電鍍、除塵、食品、包裝 燃燒降氧機、卷煙濾嘴成
型機、電鍍槽液攪拌、霧化干燥機






