- [產品]-->直線系列AMZ直線
- [產品]-->臺灣潭子DS心軸分割器
- [產品]-->臺灣潭子DF凸緣型分割器
產品推薦
產品分類
聯系方式
- 聯系人:陳凱
- 郵 箱:2480713845@qq.com
- 地 址:深圳市南山區創業路現代城華庭四棟10A
- 手 機:18929311955
- 電 話:0755-86170789
- 傳 真:0755-86171515
- 網 址:http://www.szpujiang.com
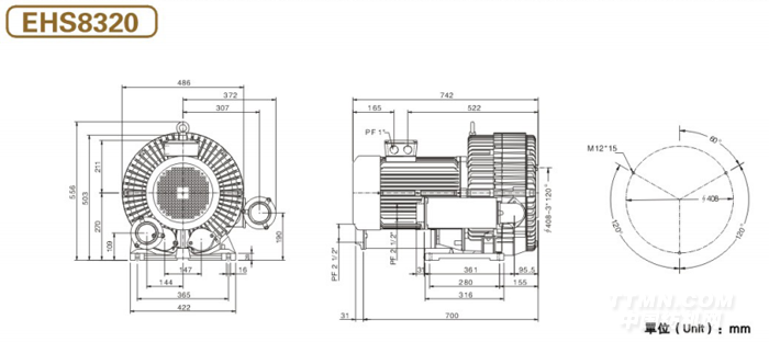
升鴻雙段鼓風機EHS8320風機
發布時間:2014-08-20
升鴻雙段鼓風機EHS8320風機
產品參數:
產品型號: EHS8320額定功率:null電壓:null風量:null風壓:null轉速/極數:null安裝方式:null
詳細參數
雙段鼓風機EHS8320風機特點:1.超靜音型,無噪音: 采用德國先進技術,馬達直接運轉,在通過加上一體式的銷音設施,改進了高壓風機噪音大的現像,從而達到靜音的效果。 2.可靠性高當使用情況變化時,機器仍可安全運轉。除了葉輪之外,高壓鼓風機沒有其他動作,因此可靠性之高幾乎免維修。使用獨一無二且散熱良好的精密外側軸承,因此它具有下列優點:高壓縮比;軸承運轉溫度低;潤滑油脂壽命長;免保養。 3.安裝容易 配備齊全,可隨時安裝與使用,供壓縮空氣或用于抽真空,也可任意安裝于水平或垂直的方向。 4.無油無污染 葉輪旋轉時,不與任何部分零件接觸,免潤滑,因此可保證百分之百無污染。 5.最高品質 經過17年的專業制造經驗,最精密機械設計加上慎重電機配合標準儀器測試,使用所有零件均能達到最高品質要求,運用標準ip54,f級馬達效率高,故障極少,馬達與鼓風機之間有軸封分試,預防異物進入。同時為確保功能效果,每一臺鼓風機在出廠前均經過嚴格測試。 6.電壓:萬國電壓型,50HZ 60HZ均可用,無論您的產品是出口至歐美的使用60Hz,高電壓的國家,還是中東,非洲等使用50Hz電壓的國家及地區,此款環保風機均能達到要求,功能產齊全,讓您無后顧之憂! 適用范圍:環保工程 產業機械,塑膠機械(除濕干燥機),印刷機械(絲網印機),照相制版,pcb設備,電器設備,醫療設備,各式燃燒機,鍋,環保養殖業等等






