- [產品]-->YWK-50壓力控制器
- [產品]-->KD3051C型差壓、表壓與絕壓變送器
- [產品]-->KD3051C型差壓、表壓與絕壓變送器
產品推薦
產品分類
聯系方式
- 聯系人:葛澤彪
- 郵 箱:kedi@kediyb.com
- 地 址:上海市滬太路315弄1號1104室
- 手 機:13818500929
- 電 話:86-021-56539135,86-021-56538862
- 傳 真:86-021-56538663
- 網 址:http://www.kediyb.com
YTN-60、YTN-100、YTN-150耐震壓力表
發布時間:2018-06-12
.jpg)
YTN-60、YTN-100、YTN-150耐震壓力表
說明:
■ 用途說明:
耐震壓力表主要用于冶金、電力、石油、化工、輕工、機械等工業部門的壓力檢測。壓力表依靠內部沖灌阻尼油和配套緩沖裝置等措施。具有良好的耐震性能。適用于被測介質的壓力有強烈脈沖變化或壓力沖擊和在生產工藝中經常突然卸荷的場合,以及環境震動較大的場所。儀表能測氣體、液體脈動壓力的平均值,以克服介質強烈脈沖及環境震動對儀表帶來的損害,確保讀數的準確性。
不銹鋼耐震壓力表的外殼用不銹鋼材料制成(簡稱半鋼),可在有腐蝕性、振動較大的惡劣環境中使用。
■ 主要技術指標:
○型號、結構形式、標度范圍、精確度等級
|
型號
|
結構型式
|
標度范圍(MPa)
|
精確度等級
|
|
YTN-60
|
徑向
|
0~0.1;O~O.16;0~0.25; 0~0.4;0~0.6;O~1;0~1.6; 0~2.5;O~4;O~6;O~10; O~16;0~25;0~40 |
2.5 |
|
YTN-60ZT
|
軸向帶邊
|
||
|
YTN-60B
|
徑向
|
||
|
YTN-63B
|
軸向帶邊
|
||
|
YTN-100
|
徑向
|
0~0.1;O~O.16;0~0.25;
0~0.4;0~0.6;O~1;0~1.6; 0~2.5;O~4;O~6;O~10; O~16;0~25;0~40; 0~60 |
1.6 |
|
YTN-100ZT
|
軸向帶邊
|
||
|
YTN-100B
|
徑向
|
||
|
YTN-103B
|
軸向帶邊
|
||
|
YTN-150
|
徑向
|
0~0.1;O~O.16;0~0.25; 0~0.4;0~0.6;O~1;0~1.6; 0~2.5;O~4;O~6;O~10;0~16; 0~25;0~40; 0~60;0~100 |
|
|
YTN-150ZT
|
軸向帶邊
|
||
|
YTN-150B
|
徑向
|
||
|
YTN-153B
|
軸向帶邊
|
○使用環境溫度:5~55℃(表殼內充甘油)
-25~55℃(表殼內充甘油)
.jpg)
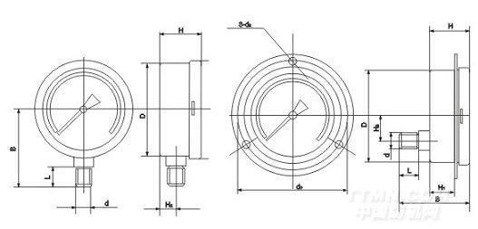
■ 外形尺寸: 單位:mm

60
32
1.5
14
32
100
44
1.5
20
44
150
44
1.5
20
44






