- [產品]-->OP-5991/699恤衫縫壓燙機
- [產品]-->OP-1400/1400L/1600/1600L連續式黏合機
- [產品]-->OSP-2000II/2000III縮水定型機 (預縮機)
您所在的位置:紡機網 >> 廣州市貴鵬熱能設備制造有限公司 >> WNS系列生物質顆粒專用鍋爐
產品推薦
產品分類
聯系方式
- 聯系人:魯家德
- 郵 箱:info@oshimagz.com
- 地 址:廣州市花都區芙蓉鎮第一工業區
- 手 機:13902394559
- 電 話:86-020-28603999
- 傳 真:86-020-86991071
- 網 址:http://www.gpboiler.com/
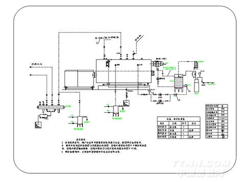
WNS系列生物質顆粒專用鍋爐
發布時間:2015-05-26
WNS系列生物質顆粒專用鍋爐
WNS系列生物質顆粒專用鍋爐
技術特點:
■本系列產品爐體設計和制造采用三回程、濕背式、偏心爐膛結構,具備良好的傳熱效果,熱效率達到國家規定標準;
■爐膽設計為波形,減少熱膨脹應力,增加輻射受熱面
■產品蒸汽品質高,蒸汽干燥度高達96%以上;
■產品具備壓力、溫度、水位等多重聯鎖安全保護控制;
■產品控制系統自動化程度高,操作簡單、方便,可實現集群控制;
■設計變動負荷大,能滿足復雜工況要求;
■鍋爐制造規范,嚴格按照國家有關標準制造;
■ 整體快裝出廠,外型美觀,色澤明快;
WNS系列生物質顆粒專用鍋爐技術參數






