- [新聞]-->APT亮相中部制博會
- [新聞]-->APT亮相重慶高新技術交易會
- [新聞]-->APT參展2012第16屆中國(天津)國際裝備制造業博覽會
- [產品]-->ALH-0.66M系列電流互感器
- [產品]-->63安培系列萬能轉換開關
- [產品]-->Φ30 AD16-30系列蜂鳴器
產品推薦
產品分類
聯系方式
- 聯系人:西門子
- 郵 箱:sales@china-apt.com
- 地 址:上海市廣中西路777弄55號 啟迪大廈301
- 電 話:021-56553757
- 傳 真:021-56551750
- 網 址:http://www.china-apt.com
Φ16 LA39-G系列按鈕開關
發布時間:2011-09-06
公司名稱:蘇州西門子電器有限公司
.jpg)
Φ16 LA39-G系列按鈕開關
性能特點
.jpg)
LA39-G 系列按鈕開關是本公司自主開發,有獨立知識產權的最新產品。該系列產品集同類產品的優點,同時彌補了其他產品的不足,設計精巧、規格齊全、安裝方便、外觀美觀、動作可靠是該系列產品的最大的優點。
LA39-G 系列按鈕開關,是采用國際上流行的模塊化組合方式結構,主要由操作頭部及觸點模塊二大部分組成。頭部設計線條流暢、尺寸超薄,有多種外觀風格,防護等級達IP65,使控制面板的精美程度有了大幅度的提升。
觸點性能
LA39-G 系列按鈕開關的觸點模塊,采用本公司的特有技術專長,設計成雙斷點快動型結構,大大提高了接觸可靠性和電氣分斷能力。觸點采用鍍金工藝,使其在低電壓、微電流的條件下能可靠工作。一個模塊可提供一對獨立的常開和常閉觸點,一個按鈕最多可裝三個觸點模塊(3 對常開觸點+3 對常閉觸點)。
型號說明

|
|||||||||||||||||||||||||
|
|||||||||||||||||||||||||
|
|||||||||||||||||||||||||
|
|||||||||||||||||||||||||
觸點形式及接線示意圖
.gif)
安裝方法
安裝順序為:將操作部分穿過面板孔,擰緊螺母后固定,然后將開關座的鎖扣與操作部分的鎖扣腳位置,壓入成一體,拆卸開關座時,將開關座鎖扣壓向內側就可拆卸.
.gif)
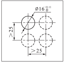
安裝開孔尺寸
圓形/方形頭部的開孔 矩形頭部的開孔


蘑菇鈕、緊停鈕頭部的開孔 安裝防護罩F-1頭部的開孔
.gif)

安裝防護罩F-II頭部的開孔

1.具有焊接和插撥式兩種接線方式,如采用插撥式接線,建議使用國際通用插頭(2.8 X 0.5mm )連接,并套上護套
2.如需焊接接線:A. 手工焊 25W, 3 秒以內。
B. 自動焊 240 ℃, 3 秒以內。
焊好后一分鐘之內不施加外力,然后套上護套,請勿使用熔劑助焊,避免溶劑滲入開關內部,造成產品損害。
3. 按鈕應用手操作,嚴禁用其它器具替代操作!
公司簡介:
APT創立于1993年,專門生產按鈕、指示燈等低壓產品,是中國領先的低壓控制部件制造商。APT系列產品通過多年的推廣和應用,廣泛服務于中國的電力、機械、鋼鐵、冶金、石化、交通、水處理、食品、包裝、紡織、港口、建筑等幾十個行業領域,先后被秦山核電站、三峽水電站、青藏鐵路機車、神舟五號、上海浦東國際機場、國家體育場(“鳥巢” )等國家級3重點工程所選用
APT的歷程
1993年,與上海第二工業大學合作,創立上海二工電器廠,推出國內第一批以LED為光源的AD16系列指示燈,APT品牌正式誕生;
1994年,開發完成LA39系列按鈕,并在浙江天臺設立天臺工廠;
1998年,開發完成LW39系列轉換開關;
1999—2002年,開發完成 ALH-0.66系列電流互感器、XK系列按鈕盒/密封箱、TL系列警示燈;
2003年,組建上海二工電氣有限公司,并在上海嘉定工業區設立第二生產基地——馬陸工廠;
2008年,APT起草的按鈕、指示燈行業標準,國家發改委正式頒布實施;
2008年8月,西門子完成對二工電氣資產和APT品牌的收購,APT正式成為西門子屬下品牌;
2009年,APT自主研發的PB1M系列金屬按鈕正式面市;
2010年,中國自動化學會授予APT“2009年度中國自動化領域工業服務獎”……
.jpg)






