- [新聞]-->APT亮相中部制博會
- [新聞]-->APT亮相重慶高新技術交易會
- [新聞]-->APT參展2012第16屆中國(天津)國際裝備制造業博覽會
- [產品]-->ALH-0.66M系列電流互感器
- [產品]-->63安培系列萬能轉換開關
- [產品]-->Φ30 AD16-30系列蜂鳴器
產品推薦
產品分類
聯系方式
- 聯系人:西門子
- 郵 箱:sales@china-apt.com
- 地 址:上海市廣中西路777弄55號 啟迪大廈301
- 電 話:021-56553757
- 傳 真:021-56551750
- 網 址:http://www.china-apt.com
Φ12 LA39-F系列按鈕開關
發布時間:2011-09-06
公司名稱:蘇州西門子電器有限公司
.jpg)
.jpg)
產品特點
LA39-F系列按鈕開關體積小巧,開孔尺寸為φ12mm,可以極大地節省空間。特別適用于諸如手持設備之類的高密度或小型控制面板。圓形、方形、矩形的操作頭部,5種操作指示顏色,復位、自鎖按鈕等多種選擇。
■結構件采用先進的卡扣自鎖形式聯接,安全、可靠、裝拆方便;
■觸頭采用瞬動機構的轉換形式,操作輕便、快速、接觸可靠;
■精選國內外優質金屬、塑膠材料,采用先進的精密制造和加工處理工藝,保證了產品精度和質量達到設計要求;
■觸頭采用優質銀合金,通斷可靠,壽命較廠;
■根據用戶操作指示的要求,可配置各種形式(符號、字母、文字等)的標志和指示牌 。
型號及其含義
.gif)
|
|||||||||||||||||||||||||||||||||||||||||||||||||||||||||||||||||||||||||
|
|||||||||||||||||||||||||||||||||||||||||||||||||||||||||||||||||||||||||
.gif)
.gif)
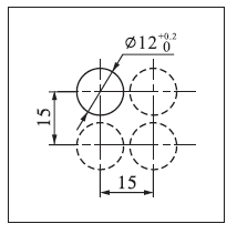
安裝開孔尺寸:
圓形,方形頭部的開孔 矩形頭部的開孔
.gif)
注意事項:
公司簡介:
APT創立于1993年,專門生產按鈕、指示燈等低壓產品,是中國領先的低壓控制部件制造商。APT系列產品通過多年的推廣和應用,廣泛服務于中國的電力、機械、鋼鐵、冶金、石化、交通、水處理、食品、包裝、紡織、港口、建筑等幾十個行業領域,先后被秦山核電站、三峽水電站、青藏鐵路機車、神舟五號、上海浦東國際機場、國家體育場(“鳥巢” )等國家級3重點工程所選用
APT的歷程
1993年,與上海第二工業大學合作,創立上海二工電器廠,推出國內第一批以LED為光源的AD16系列指示燈,APT品牌正式誕生;
1994年,開發完成LA39系列按鈕,并在浙江天臺設立天臺工廠;
1998年,開發完成LW39系列轉換開關;
1999—2002年,開發完成 ALH-0.66系列電流互感器、XK系列按鈕盒/密封箱、TL系列警示燈;
2003年,組建上海二工電氣有限公司,并在上海嘉定工業區設立第二生產基地——馬陸工廠;
2008年,APT起草的按鈕、指示燈行業標準,國家發改委正式頒布實施;
2008年8月,西門子完成對二工電氣資產和APT品牌的收購,APT正式成為西門子屬下品牌;
2009年,APT自主研發的PB1M系列金屬按鈕正式面市;
2010年,中國自動化學會授予APT“2009年度中國自動化領域工業服務獎”……
.jpg)
1、接線:在20W/5秒或260℃/3秒以內焊接端子,不施加外力給端子。焊接時,烙鐵不要觸及外殼。接線時,要防止應力作用于端子上,既不要彎曲或提升端子,也不要向端子施加外力。
2、對于自鎖按鈕,在更換元件前應確保按鈕處于釋放位置,如更換處于鎖定位置的按鈕可能會損壞內部機構!
3、按鈕應用手操作,嚴禁用其它器具替代操作!






