- [產品]-->JYDB臥式液壓打包機
- [產品]-->JYFU廢棉處理機
- [產品]-->JYDB110C 立式液壓打包機
產品推薦
產品分類
聯系方式
- 聯系人:江蘇精亞環境科技有限公司
- 郵 箱:sales@jingya.com
- 地 址:江蘇省江陰市新橋鎮河西路96號
- 電 話:0510-86125888
- 傳 真:0510-86121800
JYPW-1大風量噴霧軸流通風機
發布時間:2012-04-09

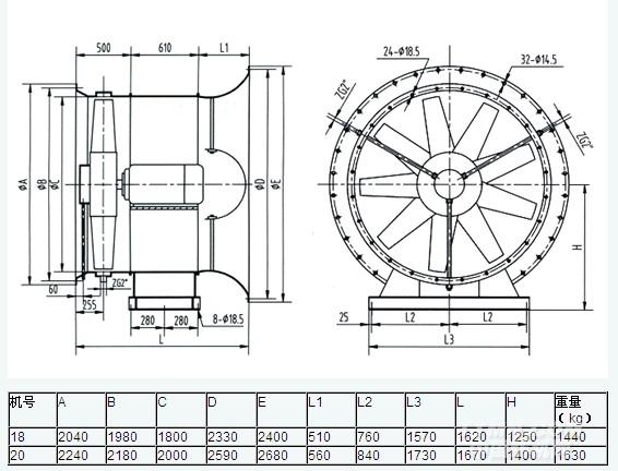
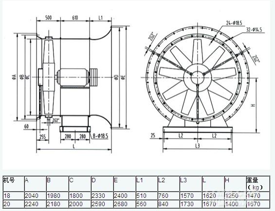
JYPW-1型噴霧軸流通風機主要用于紡織廠空調室,亦可用于其他空調場合的加濕送風。JYPW-1型噴霧軸流通風機設計有No.18、20共兩種機號,傳動方式有A式和C式,結構形式為壓入式,安裝形式為落地式。
性能參數選用表PerformanceTable
JYPW-1噴霧通風機(A式傳動)技術參數
|
機號 Size |
轉速 r/min |
葉片角 Degree |
序號 No. |
流量 |
全壓 |
水氣比 |
電 機型號 |
功率 KW |
|
18A |
750 |
4° |
1 |
129000 |
760 |
≤0.1 |
Y315S-8 |
55 |
|
2 |
147500 |
717 |
||||||
|
3 |
166000 |
646 |
||||||
|
4 |
184200 |
549 |
||||||
|
5 |
202400 |
424 |
||||||
|
0° |
1 |
112000 |
689 |
Y280M-8 |
45 |
|||
|
2 |
128500 |
649 |
||||||
|
3 |
145000 |
585 |
||||||
|
4 |
161000 |
500 |
||||||
|
5 |
177000 |
393 |
||||||
|
-3° |
1 |
98446 |
618 |
Y280S-8 |
37 |
|||
|
2 |
113223 |
582 |
||||||
|
3 |
128000 |
524 |
||||||
|
4 |
141500 |
451 |
||||||
|
5 |
155000 |
359 |
||||||
|
-6° |
1 |
84892 |
547 |
Y250M-8 |
30 |
|||
|
2 |
97946 |
515 |
||||||
|
3 |
111000 |
463 |
||||||
|
4 |
122000 |
402 |
||||||
|
5 |
133000 |
326 |
||||||
|
20A |
750 |
4° |
1 |
182000 |
801 |
≤0.1 |
Y315M-8 |
75 |
|
2 |
204500 |
750 |
||||||
|
3 |
227000 |
668 |
||||||
|
4 |
244500 |
582 |
||||||
|
5 |
262000 |
476 |
||||||
|
0° |
1 |
157000 |
727 |
Y315S-8 |
55 |
|||
|
2 |
177500 |
680 |
||||||
|
3 |
198000 |
606 |
||||||
|
4 |
214000 |
529 |
||||||
|
5 |
230000 |
435 |
||||||
|
-3° |
1 |
138000 |
652 |
Y280M-8 |
45 |
|||
|
2 |
156500 |
610 |
||||||
|
3 |
175000 |
542 |
||||||
|
4 |
189500 |
470 |
||||||
|
5 |
204000 |
381 |
||||||
|
-6° |
1 |
118000 |
591 |
|
37 |
|||
|
2 |
134000 |
559 |
||||||
|
3 |
150000 |
505 |
||||||
|
4 |
166000 |
427 |
||||||
|
5 |
182000 |
327 |
JYPW-1 NO.18C噴霧通風機技術參數
|
轉速 |
葉片角 |
序號 |
流量 |
全壓 |
電 機型號 |
|
750 |
4° |
1 |
129000 |
760 |
Y315S-8-55 |
|
2 |
147500 |
717 |
|||
|
3 |
166000 |
646 |
|||
|
4 |
184200 |
549 |
|||
|
5 |
202400 |
424 |
|||
|
0° |
1 |
112000 |
689 |
Y280M-8-45 |
|
|
2 |
128500 |
649 |
|||
|
3 |
145000 |
585 |
|||
|
4 |
161000 |
500 |
|||
|
5 |
177000 |
393 |
|||
|
-3° |
1 |
98446 |
618 |
Y280S-8-37 |
|
|
2 |
113223 |
582 |
|||
|
3 |
128000 |
524 |
|||
|
4 |
141500 |
451 |
|||
|
5 |
155000 |
359 |
|||
|
-6° |
1 |
84892 |
547 |
Y250M-8-30 |
|
|
2 |
97946 |
515 |
|||
|
3 |
111000 |
463 |
|||
|
4 |
122000 |
402 |
|||
|
5 |
133000 |
326 |
|||
|
580 |
4° |
1 |
99760 |
455 |
Y250M-8-30 |
|
2 |
114067 |
429 |
|||
|
3 |
128373 |
386 |
|||
|
4 |
142448 |
328 |
|||
|
5 |
156523 |
254 |
|||
|
0° |
1 |
86613 |
412 |
Y225M-8-22 |
|
|
2 |
99373 |
388 |
|||
|
3 |
112133 |
350 |
|||
|
4 |
124507 |
299 |
|||
|
5 |
136880 |
235 |
|||
|
-3° |
1 |
76131 |
370 |
Y225S-8- |
|
|
2 |
87559 |
348 |
|||
|
3 |
98987 |
313 |
|||
|
4 |
109427 |
270 |
|||
|
5 |
119867 |
215 |
|||
|
-6° |
1 |
65650 |
327 |
|
|
|
2 |
75745 |
308 |
|||
|
3 |
85840 |
277 |
|||
|
4 |
94347 |
240 |
|||
|
5 |
102853 |
195 |
JYPW-1 NO.20C噴霧通風機技術參數
|
轉速 |
葉片角 |
序號 |
流量 |
全壓 |
電 機型號 |
|
750 |
4° |
1 |
182000 |
801 |
Y315M-8-75 |
|
2 |
204500 |
750 |
|||
|
3 |
227000 |
668 |
|||
|
4 |
244500 |
582 |
|||
|
5 |
262000 |
476 |
|||
|
0° |
1 |
157000 |
727 |
Y315S-8-55 |
|
|
2 |
177500 |
680 |
|||
|
3 |
198000 |
606 |
|||
|
4 |
214000 |
529 |
|||
|
5 |
230000 |
435 |
|||
|
-3° |
1 |
138000 |
652 |
Y280M-8-45 |
|
|
2 |
156500 |
610 |
|||
|
3 |
175000 |
542 |
|||
|
4 |
189500 |
470 |
|||
|
5 |
204000 |
381 |
|||
|
-6° |
1 |
118000 |
591 |
Y280S-8-37 |
|
|
2 |
134000 |
559 |
|||
|
3 |
150000 |
505 |
|||
|
4 |
166000 |
427 |
|||
|
5 |
182000 |
327 |
|||
|
580 |
4° |
1 |
140747 |
479 |
Y280S-8-37 |
|
2 |
158147 |
449 |
|||
|
3 |
175547 |
400 |
|||
|
4 |
189080 |
348 |
|||
|
5 |
202613 |
285 |
|||
|
0° |
1 |
121413 |
435 |
Y250M-8-30 |
|
|
2 |
137267 |
407 |
|||
|
3 |
153120 |
362 |
|||
|
4 |
165493 |
316 |
|||
|
5 |
177867 |
260 |
|||
|
-3° |
1 |
106720 |
390 |
Y225M-8-22 |
|
|
2 |
121027 |
365 |
|||
|
3 |
135333 |
324 |
|||
|
4 |
146547 |
281 |
|||
|
5 |
157760 |
228 |
|||
|
-6° |
1 |
91253 |
353 |
|
|
|
2 |
103627 |
334 |
|||
|
3 |
116000 |
302 |
|||
|
4 |
128373 |
256 |
|||
|
5 |
140747 |
195 |
JYPW-1 噴霧通風機(C式傳動)配用件表
|
機號 |
葉片角 |
轉速 |
單速電機 One-speed Motor |
|||||||
|
電機型號 |
功 率 |
電機帶輪 |
風機帶輪 |
電機型號 |
功 率 |
電機帶輪 |
風機帶輪 |
|||
|
18C |
4° |
750 |
Y315S-8 |
55 |
D5-355 |
D5-355 |
YDT280M2-8/6 |
27/55 |
D5-335 |
D5-425 |
|
580 |
Y250M-8 |
30 |
C5-335 |
C5-425 |
||||||
|
0° |
750 |
Y280M-8 |
45 |
D5-355 |
D5-355 |
YDT280M1-8/6 |
22/45 |
D5-335 |
D5-425 |
|
|
580 |
Y225M-8 |
22 |
C5-335 |
C5-425 |
||||||
|
-3° |
750 |
Y280S-8 |
37 |
D5-355 |
D5-355 |
YDT280S-8/6 |
18/37 |
D5-335 |
D5-425 |
|
|
580 |
Y225S-8 |
18.5 |
C5-335 |
C5-425 |
||||||
|
-6° |
750 |
Y250M-8 |
30 |
D5-355 |
C5-355 |
YDT250M-8/6 |
15/30 |
C5-335 |
C5-425 |
|
|
580 |
Y200L-8 |
15 |
C5-335 |
C5-425 |
||||||
|
20C |
4° |
750 |
Y315M-8 |
75 |
D7-315 |
D7-315 |
||||
|
580 |
Y280S-8 |
37 |
D5-335 |
D5-425 |
||||||
|
0° |
750 |
Y315S-8 |
55 |
D5-355 |
D5-355 |
YDT280M2-8/6 |
27/55 |
D5-335 |
D5-425 |
|
|
580 |
Y250M-8 |
30 |
C5-335 |
C5-425 |
||||||
|
-3° |
750 |
Y280M-8 |
45 |
D5-355 |
D5-355 |
YDT280M1-8/6 |
22/45 |
D5-335 |
D5-425 |
|
|
580 |
Y225M-8 |
22 |
C5-355 |
C5-425 |
||||||
|
-6° |
750 |
Y280S-8 |
37 |
D5-355 |
D5-355 |
YDT280S-8/6 |
18/37 |
D5-335 |
D5-425 |
|
|
580 |
Y225S-8 |
18.5 |
C5-355 |
C5-425 |
||||||
風機的外形與安裝尺寸








