常州市培星紡織機(jī)械制造有限公司 |
|
| 聯(lián)系人:方建新 總經(jīng)理 | 電話:0519-88731065 88731293 |
| 傳真:0519-88732357 | 地址:江蘇常州東門外鄭陸鎮(zhèn) |
| 郵編:213111 | 郵箱:info@peixingtm.com |
| 網(wǎng)址:http://www.peixingtm.com | |
|
|||||||||||||
|
|
|
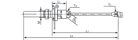
花邊捻線錠子外形尺寸圖表 |
|
|||||||||||||||||||||||||||||||||||||









|
無錫二橡膠股份有限公司 |
常州市潤源經(jīng)編機(jī)械有限公司 |
|
青島云龍紡織機(jī)械有限公司 |
黃石經(jīng)緯紡織機(jī)械有限公司 |