海寧紡織機械廠 |
|
| 聯系人:肖月 | 電話:0573 87079088 |
| 傳真:0573-87079080 | 地址:海寧經濟開發區石涇路22號 |
| 郵編:314400 | 郵箱:yxzx@cnhnfj.com |
| 網址:http://www.cnhnfj.com | |

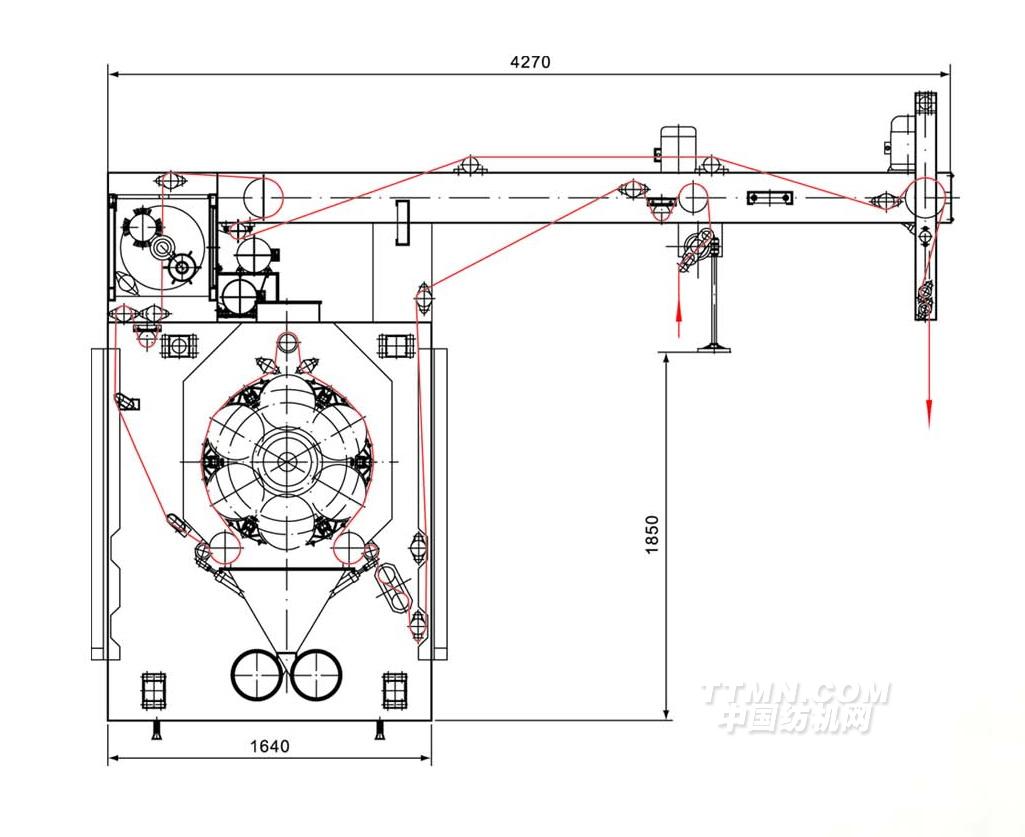
用途:
本機主要適用于純棉、混紡、麻、化纖、提花等織物的表面處理。磨毛后的織物柔軟滑糯,絨毛短勻,紋理清晰。該機結構合理,制造精度精密,穩定性好,幾年來進入市場后,深受廣大用戶歡迎,是國內真正能替代進口的磨毛機。
特點:
1.碳化硅磨毛刷輥按行星式運轉,與織物接觸次數多,作用柔和,能深入織物紋理。
采用PLC、人機界面、變頻器等實現全機傳動的自動控制,并可儲存有關工藝參數,工藝再現性好。
2.采用了張力傳感器,織物運行張力具有預先設定,自動反饋調整的功能,真正實現了恒張力磨毛。
3.專利結構鋁合金三角托板與固定式擴幅輥具有調節織物包覆程度與擴幅展邊和藹平整布面的功能。
4.可調式擴幅輥,轉速可調,與織物接觸包角可調。

技術參數:
公稱寬度:2200mm
布速: 10-40 m/min
錫林轉速:10-30 r/min
磨輥轉速:400-1500r/min
電動機功率:58.75kw(ME776) / 57.95kw(ME776A)









|
無錫二橡膠股份有限公司 |
常州市潤源經編機械有限公司 |
|
青島云龍紡織機械有限公司 |
黃石經緯紡織機械有限公司 |