4、基于Goodrive300的地面直驅螺桿泵電氣控制方案
4.1、數字化油田中采用停機程序防反轉的控制方案
為響應國家規劃發展戰略,提供企業核心競爭力,完成節能減排的目標,國內石油公司正大力加快技術裝備更新改造,數字化也成為油田建設的發展趨勢。典型井場數字化方案如圖2所示。

在直驅式螺桿泵數字化方案中可以用通訊控制變頻器,若變頻器的啟停和頻率給定完全用通訊控制,則在控制器中可以編入停機程序,以便當采用自動控制(通訊控制)時緩慢釋放反扭矩。當發出停機命令時,Goodrive300將變頻器控制方式變為扭矩模式再由控制器發出制動力矩信號,經過一定的延時時間后再停止變頻器。
在油田的實際運行中,為了提高抽油機控制的可靠性,一般會備用一路端子硬接的控制方式,從而在整個直驅螺桿泵的控制中形成手動/自動控制,手動為端子控制變頻器,自動為通訊控制變頻器。變頻器直接接入主電路,控制方式切換采用端子切換。
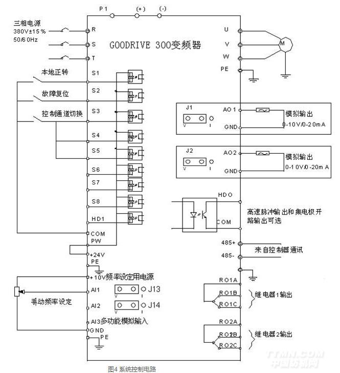
采用變頻器緩慢釋放反扭矩的方案變頻器需配置制動單元和制動電阻,抽油桿儲存的彈性形變能量可由制動電阻消耗掉。其主電路和控制電路如圖3和圖4所示。


4.2、能耗制動防反轉方案
若油田數字化水平比較落后,可采用本地手動控制+能耗制動防反轉方式。以山東某油田某井場為例來說明這種控制方案。要求在變頻器拖動滿負荷情況下電機運行轉速達到200轉/分,啟動轉矩達到1600 N•M,其電機參數如表1所示。