公司名稱:蘇州西門子電器有限公司上海分公司
.jpg)
性能特點
■在工作空間較大的場所也能有效地傳遞信號
■發光形式有:常亮、閃亮
■燈罩由耐熱抗震的聚碳酸酯樹脂制成
■音量可達90分貝(10cm處)
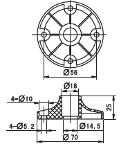
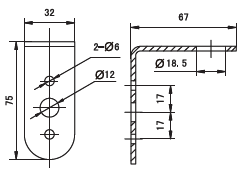
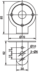
安裝方式、開孔尺寸
樣式 標準型 L型
![]()
![]()
![]()

.gif)


注:選用不同的安裝方式,需訂貨時在型號注明
|
產品規格 |
| 型號 | 規格 | 額定電壓/電流 | 顏色 |
| TL-50LL | LED 常亮 | 12V/40mA、24V/40mA、11OV/25mA、22OV/25mA | 紅 黃 綠 藍 白 |
| TL -50LF | LED 閃亮 | 12V/40mA、24V/40mA、11OV/25mA、22OV/25mA | |
| TL -50BL | 白熾燈常亮 | 12V/500mA、24V/400mA、11OV/90mA、22OV/50mA | |
| TL -50BF | 白熾燈閃亮 | 12V/500mA、24V/400mA、11OV/90mA、22OV/50mA | |
| TL -50LLI(C) | LED常亮,(間斷或連續發音) | 12V/80mA、24V/80mA、11OV/40mA、22OV/40mA | |
| TL -50LFI(C) | LED閃亮,(間斷或連續發音) | 12V/80mA、24V/80mA、11OV/40mA、22OV/40mA | |
| TL -50BLI(C) | 白熾燈常亮,(間斷或連續發音) | 12V/540mA、24V/440mA、11OV/120mA、220V/70mA | |
| TL -50BFI(C) | 白熾燈閃亮,(間斷或連續發音) | 12V/540mA、24V/440mA、11OV/120mA、220V/70mA |
|
注:24V 、110V 為交直流通用,220V 僅適用于交流 |
| 型號表示 |
