南通五洲機械制造有限公司

2010年中國國際紡織機械展覽會暨ITMA亞洲展覽會于6月26日落下帷幕,持續5天的展會不僅為行業帶來諸多商業契機,也帶來了更多的挑戰。借行業發展之東風,南通五洲機械制造有限公司也以一個全新的姿態亮相在此次展會上。
展商簡介:
南通五洲機械制造有限公司(南通市五洲紡織專件廠)專業生產SL系列上羅拉軸承、并條機軸芯和軸套、包覆絲機空心錠子。公司設計開發能力強、設備精良、工藝先進、產品檢測手段完善,企業通過ISO9001:2000質量體系認證。
“五洲”牌SL系列上羅拉軸承的企業內控標準遠遠高于國家行業標準FZ92013-92。產品歷年通過質量監督檢查,榮獲“國家質量檢測合格產品”、“國家監督抽查連續合格產品”。產品以顧客的需求為最終標準。產品常年供山西經緯紡機股份公司、馬佐里(東臺)紡機有限公司、上海二紡機股份公司等細紗機制造企業及中國600多家紡織企業,產品質量深受廣大顧客的信賴。
公司將一如既往用質優價廉的產品和完善熱忱的售后服務為紡織企業服務,衷心感謝貴企業的支持和幫助,恭候您的光臨和指導。
展商展品:
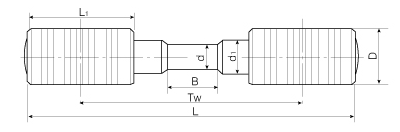
SL1系列上羅拉軸承 |
|
。 4、成紗條干水平有較大提高,在同等測試條件下,錠差縮小,條件值下降0.1~0.4左右。 5、耐磨損,延長使用壽命,降低消耗。 6、適合各種磨礪方式的皮輥制作。 ![]() ![]() ![]() 注:(1)有E符號外殼無環形槽 (2)特殊規格可根據用戶要求制造 |
聯系方式:
南通五洲機械制造有限公司
地址:中國江蘇省南通市城港路387-1號
電話:0513-82037890 82037999 85544031 85405639
傳真:0513-85406632
Email:wzyx@ntwz.net
郵編:226003
聯系人:韓 健 手機:(0)13301487654
陳險峰 手機:(0)13912272110