用于改善苧麻織物服用性能的纖維素酶的研究
成都紡織高等專科學校 李振華 鄭光洪 陳德基
【摘要】根據苧麻纖維織物的性質,特點和加工要求,分析了在改善苧麻織物手感,解決刺癢感的生物酶處理過程中纖維素酶的作用機理,以及這項工藝對纖維素酶性質的獨特要求,對用于改善苧麻織物服用性能的纖維素酶的菌種,培養條件和制取方法等也進行了研究。
A關鍵詞 纖維素酶 菌株 苧麻織物
1.前言
利用纖維素酶處理苧麻織物使之獲得優良的服用性能源于纖維素酶對苧麻纖維素分子的降解。從所周知,苧麻織物具有涼爽、挺括、吸濕、散濕的特點,同時也存在手感粗糙、彈性差、穿著刺癢感問題,嚴重影響了苧麻織物的服用性能。通過纖維素酶減量整理,能夠使織物獲得柔軟的手感,光潔的布面、刺癢感消失或改善,使低檔織物成為高檔產品,提高附加值
,由于來源不同,纖維素酶的活力以及對苧麻纖維的剝蝕能力有明顯差別。為此,根據苧麻織物的處理目的,我們選擇了一株對苧麻纖維有較高分解能力的菌株C1,通過培養制備,獲得了能夠有效的改善苧麻織物服用性的纖維素酶CDF,為今后工業生產及大規模應用奠定了基礎。
2.原理部分
2.1.苧麻織物刺癢感產生的原因
和棉纖維相比、苧麻纖維粗、長,結晶度高、剛度大,成紗抱合力差。這種性質在苧麻織物上表現為粗糙硬挺的手感,表面毛羽多且硬。當織物與皮膚接觸時,硬挺的毛羽刺激皮膚,產生刺癢感,嚴重的為刺痛感。雖然棉織物表面也存在毛羽,但是由于棉纖維的剛度較苧麻纖維低,纖維細而軟,不會產生刺癢感。另一方面,亞麻纖維雖然剛度較大,然而亞麻纖維成纖系半脫膠其織物表面毛羽很少,所以也不象苧麻織物那樣有嚴重的刺癢感問題。傳統的燒毛工序能使苧麻織物表面毛羽數量減少,長毛羽變成短毛羽,達到布面光潔的目的,但是毛羽越短,纖維抗彎應力越大,刺癢感越嚴重。因此,改善苧麻織物刺癢感的措施在于軟化苧麻纖維,減輕或“鈍化”織物表面毛羽的
表1. 幾種纖維性質比較[1]
| 指標 \ 纖維 | 棉 | 苧麻 | 亞麻 |
| 長度(mm) | 25~45 | 127~152 | 11-30 |
| 截徑(μm) | 17-22 | 20~75 | 11-20 |
| 聚合度 | 2020 | 2660 | 2390 |
| 結晶度(%) | 60±20 | 79±7 | 02±0 |
| 傾角 | 20~30 | 35±1 | 55±3 |
| 初始模量(Kg/mm2) | 900~1300 | 2500~5500 | 2550 |
1.2.應用纖維素酶改善苧麻織物刺癢感的原理
表2. 脫膠后苧麻纖維的化學組
成.分A纖維素A蠟狀物A木質素A果膠物質A其它
含量(%)A
纖維素酶是一組酶,一同作用使纖維素水解。其水解反應為:內切型(C6H10O5)n(+H2O+纖維素酶)→(C6H10C5)q+(C6H10O5)r(n=q+r)
外切型:(C6H10O5)n(+H2O+纖維素酶)→(C6H10O5)n-1+C6H12O6纖維素酶主要包括C1酶、Cx酶和纖維二糖酶三種組分。Mamdels等的實驗表明[4]:Cx酶僅在纖維的無定形區域作用,膨脹或部分降解纖維素;加入C1酶,能使纖維的結晶部分破壞,纖維降解。纖維二糖酶將C1酶、Cx酶共同作用的水解產物進一步分解為葡萄糖。總的來說,在纖維素酶各個組分的協同作用下,苧麻纖維被剝蝕,纖維結晶度、9聚合度下降,剛度降低、纖維柔軟;織物表面毛羽變細變軟、開叉倒伏以至脫落,減弱或消除毛羽的刺激作用,從而達到改善苧麻織物手感,消除刺癢感之目的。
1.3.菌種篩選及培養條件的設計
苧麻纖維是一種結晶度很高的韌皮纖維,應選擇對苧麻纖維有較強崩潰能力的菌株,保證所產纖維素酶對高結晶的苧麻纖維有較好的剝蝕能力,一株好的菌株還應具備產率高,產酶活性高,穩定性好等特點。本研究選用綠色木酶C1,其生長速度快,產酶活性高。
纖維素酶生物合成調節模型見圖1
.gif)
圖1.纖維素酶生物合成調節模型[5]
纖維素酶是誘導酶,酶的生物合成受基因和底物的雙重控制。纖維素對綠色木霉生產纖維素酶有誘導作用,是最好的碳源之一。本研究選用價格低廉,來源量大的苧麻紡織廠的生產下腳麻纖維即麻屑做為碳源,確保纖維素酶的純度和剝蝕能力。固體培養法具有產量高、省電、污染少、容易控制、后處理簡單等優點,此外在固體培養中微生物除了產生纖維素酶系外,還會產生半纖維素酶,木素酶、果膠酶等,實驗表明,這種混合型纖維素酶對于含有纖維素、半纖維素、木質素以及果膠物質
纖維素酶CDF生產工藝流程為:
菌株→制種→產酶培養→萃取→過濾→濃縮(→鹽析→烘干→磨粉)→包裝
3.材料和方法
3.1.菌株:綠色木霉(Trichoderma viride)C1,是突變株,具有較高的產酶能力。
3.2.培養基及藥品
3.3.織物: 21s×21s×52×50 4支苧麻竹節布 R/C(55/45)19s×19s×52×52麻棉混紡織物
3.4.儀器:WWB-11電熱恒溫培養箱、HH·S電熱恒溫水浴鍋、威格瑪滾筒洗衣機、小太陽轉籠式烘干機、電光分析天平、25型酸度計、721型分光光度計、ZM216溢流染色機、水星牌SW-30工業洗衣機、HGL-50水星牌烘干機
3.5.測試方法
①.CMC酶活[6]:取1.0ml稀釋酶液于50ml比色管中,加含0.5%CMC鈉的緩沖液3.0ml,pH=5.2,
②.FP酶活[7]:取1.0ml稀釋酶液于50ml比色管中,加入HAc-NaAc緩沖液1.0ml,pH=5.2,放入一條1×6cm2華特曼濾紙,
③.比色減量率[8]:取5.0ml酶于50ml比色管中,加入HAc-NaAc緩沖液3.0ml,pH=5.2,加入
4.結果與討論
4.1.影響纖維素酶活力的因素
麩皮含有足夠的碳源、氮源和無機元素,疏松適度利于通氣,是固體培養的主要原料。苧麻纖維(麻屑)的主要成分是纖維素、木質素、果膠等。在菌株生長繁殖及產酶過程中,都需要一定的C、N比,過多或過低的C、N比都會影響產酶能力,因此,應選擇適當的底物濃度。表3說明:當麩皮用量為40%,麻屑用量為60%時,CMC及FP酶活均高,對苧麻纖維的剝蝕能力
表3. 不同底物濃度與酶活關系
| 麻屑∶麩皮 | CMC酶活mg還原糖/g·半小時 | FP酶活mg還原糖/g·小時 | 比色減量率% |
| 90∶10 | 060 | 73 | 1.00 |
| 00∶20 | 1440 | 139 | 1.60 |
| 70∶30 | 1320 | 106 | 3.30 |
| 60∶40 | 2020 | 241 | 4.20 |
| 50∶50 | 2120 | 261 | 4.10 |
| 40∶60 | 2160 | 271 | 3.90 |
| 30∶70 | 1650 | 120 | 2.00 |
| 20∶00 | 470 | 67 | 0.00 |
| 10∶90 | 310 | 47 | — |
表4. 氮源種類與用量對產酶活力的影響
| 氮源名稱 | 用量% | CMC酶活mg還原糖/g·半小時 | FP酶活mg還原糖/g·小時 | 比色減量率% |
| (NH4)2SO4 | 1 | 2090 | 249 | 4.23 |
| 2 | 2140 | 261 | 4.35 | |
| NH4Cl | 1 | 2035 | 241 | 4.21 |
| 2 | 2073 | 246 | 4.23 |
綠色木霉C1所產纖維素酶屬弱酸性酶,所以本實驗選用硫酸銨和氯化銨作氮源。從表4說明,硫酸銨比氯化銨作氮源好,其各項酶活指標均高,2%的用量又優于1%。
綠色木霉C1在以麻屑為碳源的培養基上生長緩慢,需經約24小時延滯期才開始旺盛生長,培養到5天以后,菌絲浸延自到纖維屑中,綠色孢子激劇增多,對麻纖維的利用也激劇進行,至第7天,達到產酶高峰,此時麻纖維基本上完全崩潰,當培養到第8天時,酶活迅速下降,因此必須嚴格控制培養時間。
Mn2+、Co2+微量元素能提高菌株的產酶的活力,實驗中采用不同濃度的微量元素加到培養基中進行對比,結果如表6
表5. 不同培養時間與產酶關系
| 培養時間(天) | CMC酶活mg還原糖/g·半小時 | FP酶活mg還原糖/g·小時 | 比色減量率% |
| 1 | — | — | — |
| 2 | 90 | 21 | — |
| 3 | 266 | 47 | — |
| 4 | 1490 | 142 | 1.10 |
| 5 | 2250 | 276 | 3.40 |
| 6 | 2375 | 206 | 3.50 |
| 7 | 2405 | 306 | 4.40 |
| 0 | 1605 | 154 | 3.00 |
| 9 | 1460 | 141 | 2.90 |
表6. 微量元素對產酶的影響
| Mn++(mg/L) | CMC酶活mg還原糖/g·半小時 | FD酶活mg還原糖/g·半小時 | 比色減量率% | Co++ mg/l | CMC酶活 | FD酶活 | 比色減量率% |
| 0 | 2015 | 240 | 4.15 | 0 | 2020 | 241 | 4.10 |
| 1 | 2096 | 251 | 4.35 | 1 | 2070 | 250 | 4.32 |
| 2 | 2220 | 270 | 4.40 | 2 | 2105 | 263 | 4.37 |
培養過程中加入少量的表面活性劑,如吐溫-00等,能使菌株生長繁殖增快,綠色孢子增多,培養時間縮短,產酶能力提高,實驗結果見表7。
表7. 表面活性劑對產酶的影響
| 表面活性劑T(%) | CMC酶活mg還原糖/g·半小時 | FP酶活mg還原糖/g·小時 | 比色減量率% |
| 0 | 2015 | 240 | 4.00 |
| 0.05 | 2320 | 202 | 3.90 |
| 0.1 | 2417 | 305 | 4.30 |
| 1.15 | 2309 | 291 | 3.91 |
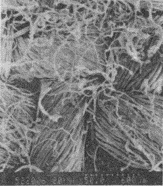
4.2.纖維素酶CDF對苧麻纖維織物的作用評價
|
|
|
| 圖1.未經酶處理的苧麻纖維縱向表面情況 | 圖2.經酶處理的苧麻纖維縱向表面情況 |
從電鏡圖上看到,纖維素酶CDF對苧麻纖維的剝蝕作用是明顯的。纖維素酶不僅使苧麻纖維表面發生部分剝蝕,也侵蝕到纖維的胞壁胞腔和微原纖中。麻纖維表面初生胞壁的被剝離,造成微纖分離,纖維變細,剛性降低。纖維中空穴和毛細管的擴大,賦予織物一系列有價值的服用性能,諸如織物觸摸起來有一種輕薄感,手感耐久柔軟,吸水性、保水性有所增加
[9]。值得注意的是纖維素酶CDF對苧麻纖維的表面剝蝕是連續分布的,并不局限于纖維橫節等損傷點,這種作用方式有益于在較小強損下改善織物的服用性能。
|
|
|
| 圖3.未經酶處理的苧麻纖維橫切表面情況 | 圖4.經酶處理的苧麻纖維橫切表面情況 |
纖維素酶CDF對苧麻纖維結晶度、聚合度的作用見表8,可見經酶處理后,纖維結晶度,聚合度均降低。
表8. 酶處理后織物纖維結晶度、聚合度的變化
指標.纖維A結晶度A聚合度
原樣A
處理樣A
|
|
|
| 圖5.未經酶處理的苧麻織物表面情況 | 圖6.經酶處理的苧麻織物表面情況 |
在織物酶減量整理過程中,纖維素酶首先接觸的是織物紗線表面上的纖維和突出在織物表面上的毛羽,電鏡及顯微照片顯示,經過纖維素酶CDF的處理,織物表面毛羽變細、變軟、開叉、倒伏、毛羽數量減少,毛羽刺激作用顯著降低,達到改善或消除刺癢感的目的。
表9. 酶減量整理對織物服用性能的影響
| 工藝 | 織物 | 斷裂強力N | 回彈性 經+偉 | 懸垂系數 | 減量率(%) | 手感 | 刺癢感 | ||
| 經 | 緯 | ||||||||
| Ⅰ | 平布 | 原樣 | 870 | 720 | 146 | 46.1 | 0 | 硬 | 嚴重 |
| 處理樣 | 640 | 510 | 152 | 39.2 | 4.1 | 較軟 | 較輕 | ||
| Ⅱ | 麻綿 | 原樣 | 790 | 602 | 201 | 43.1 | 0 | 較硬 | 較嚴重 |
| 處理樣 | 465 | 390 | 197 | 43.5 | 3.2 | 軟 | 輕 | ||
| Ⅲ | 竹節布 | 原樣 | 1260 | 1135 | 235 | 57.6 | 0 | 硬 | 嚴重 |
| 處理樣 | 1010 | 090 | 242 | 47.3 | 4.0 | 較軟 | 較輕 |
注:Ⅰ:酶用量90%,pH 5.2,溫度
Ⅱ:酶用量90%,pH 5.2,溫度
Ⅲ:酶用量120%,pH 5.2,溫度
上述處理工藝均在ZM216溢流染色機中進行。
從表9反映出,應用纖維素酶CDF處理苧麻織物,能夠明顯軟化纖維,改善織物刺癢感,提高織物的服用性能。纖維素酶CDF雖然對高結晶的苧麻纖維有較強的剝蝕能力,但是其在纖維上的剝蝕軟化作用分布均勻,并不局限于纖維的某一點上,而且在酶減量整理工藝中,這種剝蝕作用主要針對的是織物表面纖維和毛羽,因此,能夠在達到改善苧麻織物刺癢感
的目的時把織物強力損失控制在允許值內,從而保證織物的可服用性。這一點在苧麻織物酶減量整理中有重要意義,苧麻織物在經酶處理后再上柔軟劑,刺癢感基本上完全消除,織物具有柔軟豐滿、挺括飄逸的獨特風格和舒適的服用效果。
5.結論
5.1.實驗表明,綠色木霉C1是一株對苧麻纖維分解能力強的菌株,纖維素酶CDF對苧麻纖維有較強的剝蝕作用。
5.2.為了保證纖維素酶的純度和作用效果,應選擇適當的底物和培養條
5.3.纖維素酶CDF對苧麻纖維的剝蝕作用強烈而且均勻,能夠在強損規定的范圍內有效地去除織物表面毛羽,軟化織物纖維。
5.4.通過酶減量整理,能夠有效消除苧麻織物刺癢感,使織物獲得柔軟飄逸的風格,提高其服用性能。
5.參考文獻
1.華東紡織工學院.紡織品設計教研室.《紡織品服用性能》.1984年8月
2.賀智勇,《酶減量改善苧麻織物的服用性能》印染.1992年6月,P40~42
3.涪陵苧麻廠檢驗報告
4.M.Mandels et al:Biotech Bioeng Eymh No.6,21~23 1976
5.[英].B.阿特金森.F.馬維圖納著,《生化工程與生物技術手冊》上冊 P322,科學出版社
6、7.張發群等,《康氏木霉菌株的鑒定及其培養條件對纖維素酶形成的影響》,中科院成都生物所
8.陳松等,《酶減量率的比色法快速測定》印染.1994年1月P30~31
9.費云山等,《酶洗中纖維素酶的作用方式與途徑的探討》印染.1994年9月 P5~9
相關信息 







推薦企業
推薦企業
推薦企業