您所在的位置:紡機網 >> 湖北行星傳動設備有限公司 >> 伺服電機60系列
產品推薦
產品分類
聯系方式
- 聯系人:陳麗華
- 郵 箱:gearmotor_gz@126.cn
- 地 址:湖北省武漢市武昌區街道口珞珈山大廈A2507室
- 手 機:13632496897
- 電 話:027-82666066
- 傳 真:027-59706390
- 網 址:http://www.cngearboxes.com/
伺服電機60系列
發布時間:2012-06-15
.jpg)
伺服電機60系列
●JSF系列伺服電機主要特點:
1:調速范圍寬;
2:低噪音,高效率,運行平穩;
3:高性能釹硼磁鋼設計能提供3倍以上峰值扭矩。
● JSF系列伺服電機參數列表:
|
電機型號
|
JSF42-3-30-AS-1000
|
JSF57-15-30-BF-1000
|
JSF60-15-30-CF-1000
|
JSF60-40-30-DF-1000
|
|
功 率 (w)
|
32
|
150
|
150
|
400
|
|
額定扭矩 (Nm)
|
0.1
|
0.5
|
0.5
|
1.3
|
|
峰值扭矩 (Nm)
|
0.35
|
1.75
|
1.75
|
4.5
|
|
力矩常數 (Nm/A)
|
0.057
|
0.06
|
0.069
|
0.093
|
|
額定轉速 (Rpm)
|
3000
|
3000
|
3000
|
3000
|
|
額定電壓 (V)
|
24
|
36
|
48
|
72
|
|
額定電流 (A)
|
2.3
|
7.3
|
5.5
|
9.3
|
|
極數
|
8
|
8
|
8
|
8
|
|
編碼器分辨率
|
1000
|
1000
|
1000
|
1000
|
|
電機重量 (Kg)
|
0.42
|
0.7
|
1.25
|
1.8
|
|
繞組電阻
|
2.1Ω
|
0.73Ω
|
1.23Ω
|
1.04Ω
|
|
繞組電感
|
1.4mH
|
0.95mH
|
0.97mH
|
1.47mH
|
|
反相電動勢常數
|
4.3V/Krpm
|
6.7V/Krpm
|
10.6V/Krpm
|
15.4 V/Krpm
|
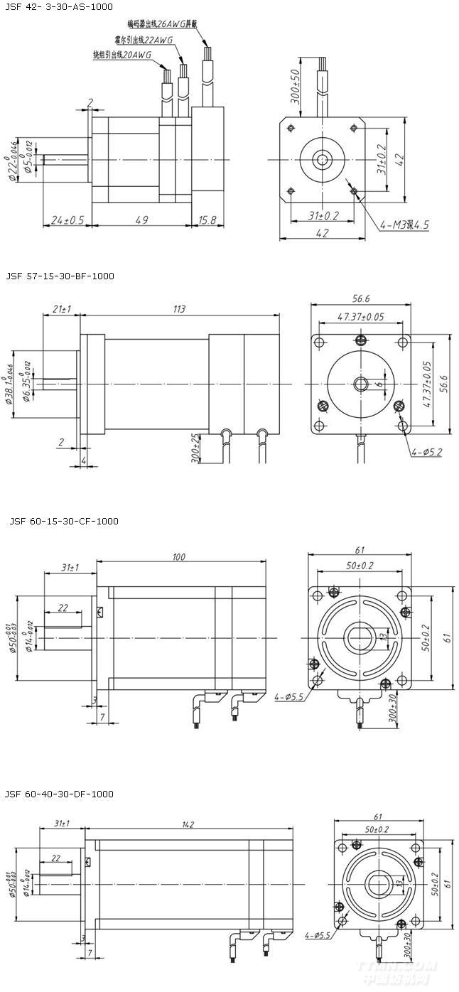
● JSF系列伺服電機安裝尺寸
.jpg)
JSF系列伺服電機技術參數:
|
電 機
型 號
|
額定
功率
(W)
|
電壓
(VDC)
|
電流
(A)
|
極數
|
額定轉速(Rpm)
|
額定
扭矩
(Nm)
|
峰值
扭矩
(Nm)
|
力矩
常數
(Nm/A)
|
編碼器
分辨率
|
機身
長度
(mm)
|
重量
(KG)
|
|
JSF 42- 3-30-AS-1000
|
32
|
24
|
2.3
|
8
|
3000
|
0.1
|
0.35
|
0.057
|
1000
|
64
|
0.42
|
|
JSF 57-15-30-BF-1000
|
150
|
36
|
7.3
|
8
|
3000
|
0.5
|
1.75
|
0.06
|
1000
|
113
|
0.7
|
|
JSF 60-15-30-CF-1000
|
150
|
48
|
5.5
|
8
|
3000
|
0.5
|
1.75
|
0.069
|
1000
|
100
|
1.25
|
|
JSF 60-40-30-DF-1000
|
400
|
72
|
9.3
|
8
|
3000
|
1.3
|
4.5
|
0.093
|
1000
|
142
|
1.8
|






