常德紡織機械有限公司 |
|
| 聯系人:常德紡機 | 電話:0736-7321006 |
| 傳真:0736-7320179 | 地址:湖南常德市常德經濟技術開發區崇德西路 |
| 郵編:415004 | 郵箱:ctexma@ctexma.com |
| 網址:http://www.ctexma.com | |
結構性能特點:
1、壓力源為壓縮空氣 克服了彈簧壓力源在使用壽命周期上的壓力衰減;
2、鎖緊可靠 采用自行設計的四連桿機構,鎖緊定位可靠;
3、半釋壓 停車后卸氣即實現半釋壓,減少重開機時紗線斷頭率,大大降低勞動強度;
4、無級調壓 通過對氣壓的調整可以實現無級調壓,得到多種壓力配比,紡紗工藝性大大增強;
5、直接加壓 加壓元件直接從氣囊獲得壓力,壓力一致性好;
6、良好的互換性 安裝尺寸與YJ4系列搖架相同,具有良好的互換性。
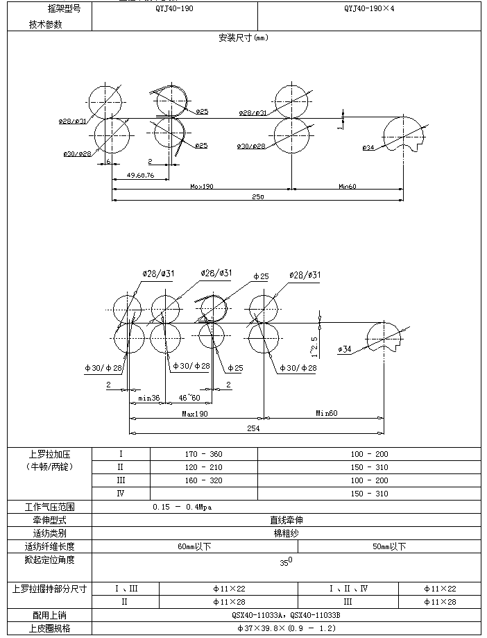
QYJ40-190, QYJ40-190×4型搖架技術參數









|
無錫二橡膠股份有限公司 |
常州市潤源經編機械有限公司 |
|
青島云龍紡織機械有限公司 |
黃石經緯紡織機械有限公司 |