在有梭織機上,隨著梭子被反復投射,引入織物中的緯紗是連續的,選擇適當的經、緯紗交織方式(邊組織)可以形成優良的織物布邊。無梭引緯代替有梭引緯后,其引緯方式發生改變的同時,緯紗在織物中的形態也發生變化,緯紗在布邊處不連續,形成所謂的毛邊,這種毛邊的經、緯紗之間沒有形成有效的束縛,非常容易散脫,為此,在無梭織機上,需通過專門的成邊裝置對毛邊進行處理,以形成所謂的加固邊。
無梭引緯除了布邊不同外,無梭織機的供緯方式也不同,無梭織機用卷裝容量大的筒子供緯,緯紗首先被卷繞到儲緯器上,然后利用載緯器或噴射介質拉出儲緯器上的緯紗引入梭口。?
因此,加固邊裝置和儲緯器是無梭織機形成質量合乎要求的織物和高速引緯所必須的輔助裝置。
一、加固邊裝置
在無梭織機上,加固邊的種類及形成方法主要有下列幾種。
(一)折入邊
折入邊應用較廣,在片梭、劍桿和噴氣織機上都可采用。布邊型式如圖8-40所示,它
圖8-40? 折入邊
用折邊機構將上一個梭口內緯紗留在梭口外的部分(一般為10~15mm長)折回到下一個梭口內,從而在布邊處形成與有梭織機上相類似的光邊。
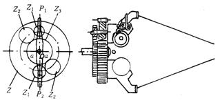
折入邊裝置較為復雜,在片梭織機上采用的折入邊裝置中,與緯紗接觸的部件有邊紗鉗和鉤紗針,兩側各有一組,通過邊紗鉗和鉤紗針的運動配合,形成折入邊,其工作過程如圖8-41所示。圖(甲)中,邊紗鉗1在引緯過程中已夾持住處于一定張力狀態下的上一緯緯紗

圖8-41? 片梭織機上折入邊的形成
1-邊紗鉗? 2-鉤紗針
的兩端,鉤紗針2在打緯后穿過下一緯梭口的下層經紗后,向機外側方向移動,接近邊紗鉗上的緯紗。在圖(乙)中,鉤紗針在返回時勾住緯紗紗端,邊紗鉗將緯紗釋放。在圖(丙)中,緯紗已被鉤紗針勾入到下一緯的梭口中。
劍桿織機的折入邊裝置與片梭織機類似,但劍桿織機上采用折入邊時







相關信息 







推薦企業
推薦企業
推薦企業